Produk
BURNER FBR GAS X5CE SATU TAHAP : 151–349 kW
-
BURNER FBR GAS X5CE SATU TAHAP : 151–349 kW
Burner Gas X5 CE Merupakan mesin Pembakar bahan bakar gas dengan keluaran Thermal 151–349 KW/h atau 130.000–300.000 Kcal/h, Operasi burner satu tahap dengan bodi aluminium cor, kipas bertekanan tinggi, kepala pembakaran dengan pengaturan efisiensi tinggi, serta stabilitas api tinggi dan penutup pelindung dengan pelat peredam bising. Dimensi keseluruhan yang ringkas dan penempatan komponen yang rasional memudahkan aksesibilitas untuk pengoperasian pengaturan dan pemeliharaan. Tersedia dalam versi METHANE (gas alam) atau G.P.L. (sesuai spesifikasi saat pemesanan) versi khusus sesuai permintaan untuk gas kota, gas batu bara, atau biogas.
Kereta gas telah dirakit lengkap, terhubung secara elektrik, dan teruji; lengkap dengan katup kerja dengan pengaturan aliran, katup pengaman, saklar tekanan gas minimum, dan filter penstabil tekanan gas. Versi F dengan penutup pelindung baja dan fitur khusus untuk aplikasi pada oven industri dan oven roti. Lengkap dengan konektor/soket 7 kutub, flensa, dan gasket untuk pemasangan pada generator.
SPESIFIKASI BURNER FBR GAS X5CE
- Parameter : GAS X5CE
- Daya termal (Mkal/jam) : 130–300
- Daya termal (kW) : 151–349
- Aliran gas G20 (Nm³/jam) : 15,2–35,1
- Aliran gas G31 (Nm³/jam) : 5,8–13,5
- Bahan bakar : GAS ALAM (golongan ke-2) – L.P.G. (golongan ke-3)
- Kategori bahan bakar : I2R, I2H, I2L, I2E, I2E+, I2Er, I2ELL, I2E(R) / I3B/P, I3+, I3P, I3B, I3R
- Operasi kerja terputus-putus : Min. 1 pemberhentian setiap 24 jam, satu tahap
- Kondisi lingkungan (operasi/penyimpanan) : -15…+40°C / -20…+70°C, RH maks. 80%
- Suhu udara pembakaran maks. (°C) : 60
- Tekanan minimum rangkaian gas D1″ S (mbar) : 27/33
- Tekanan minimum rangkaian gas D1″ 1/4 S (mbar) : 16/25
- Maks. Masukan katup tekanan (mbar) : 360
- Daya listrik nominal (W) : 540
- Motor kipas (W) : 370
- Arus motor nominal (A) : 2,4
- Catu daya : 1/N~230V–50Hz
- Tingkat perlindungan listrik : IP 40
- Tingkat kebisingan (dB(A)) : 67–71
- Berat burner (kg) : 24
* Kondisi referensi: Suhu lingkungan 20°C – Tekanan barometrik 1013 mbar – Ketinggian 0 meter (permukaan laut).
** Tekanan gas umpan minimum ke rangkaian gas untuk mendapatkan daya maksimum pembakar, dengan mempertimbangkan tekanan balik di ruang bakar bernilai 0 (nol).
*** Tekanan sonar terukur dalam pembakaran laboratorium, dengan pembakar yang berfungsi pada ketel beta hingga jarak 1 meter (hukum UNI EN ISO 3746).
**** Untuk pembakar: GAS X0CE – GAS X1CE – GAS X2CE – GAS X3CE – GAS X4CE dengan penutup baja (F), tambahkan berat 3 kg.
**** Untuk pembakar GAS X5CE dengan penutup baja (F), tambahkan berat 5 kg.FIRING RATE BURNER FBR GAS X5CE
Laju pembakaran diperoleh berdasarkan boiler uji sesuai dengan standar EN676 dan merupakan indikasi kesesuaian burner dengan boiler. Agar burner beroperasi dengan benar, dimensi ruang bakar harus sesuai dengan peraturan yang berlaku. Jika tidak sesuai, hubungi produsen.
Laju pembakaran diperoleh berdasarkan boiler uji sesuai dengan standar EN676 dan merupakan indikasi kesesuaian burner dengan boiler. Agar burner beroperasi dengan benar, dimensi ruang bakar harus sesuai dengan peraturan yang berlaku. Jika tidak sesuai, hubungi produsen.
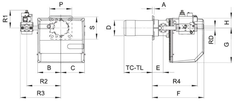
DIMENSI BURNER FBR GAS X5CE
Model A B C D E F G H P S TC TL* R1 R2 R3 R4 RD Berat Gas Train GAS X5CE D1″-S 18 207 213 138 98 462 310 90 200 200 250 335 160 305 262 403 Rp1 8 kg Jika Anda tertarik dengan salah satu produk kami, atau memerlukan informasi lebih lanjut, silakan hubungi staf penjualan kami sekarang untuk katalog terperinci kami.
Hubungi Kami
CV. RATMAN BEJO
- Gudang : Blk. D19 Jl. Utama Raya Perum Permata Sepatan No.21, Pisangan Jaya, Kec. Sepatan, Kabupaten Tangerang, Banten 15520
- Whatsapp : 0895 3287 02165
- Mobile : 0821 1185 1623
-
Be the first to review “BURNER FBR GAS X5CE SATU TAHAP : 151–349 kW”









Reviews
There are no reviews yet.