Pusat Penjualan Burner Solar Riello Press G terlengkap
Toko pusat penjualan burner bahan bakar solar riello press G di indonesia, perusahaan kami menyediakan burner Riello dengan bahan bakar solar yang mengunakan two stage kualitas burner yang terbaik. burner riello sendiri sudah sangat terkenal dan sangat umum di gunakan oleh perusahan-perusahaan atau industri di indonesia karena dengan branded dari italiy dan kualitas keaslian barangnya yang terjamin dan sudah teruji di wilayah seluruh indonesia.
kami juga menyediakan menjual burner tidak hanya untuk barangnya saja tapi kami juga melayani after sales yang profesional dan mampu menjual sekaligus memberi arahan sistem kerja dan kegunaan burner tersebut sekaligus melayani jasa pemasangan atau instalasi untuk costemer kita, burner bahan bakar solar dengan merek riello press G ini memiliki berbagai type di antaranya akan kita bahas sebagai berikut.
Type Burner Riello Press G
PRESS G serangkaian pembakar mencakup rentang tembak 107-1660 kW dan mereka miliki telah dirancang untuk digunakan dalam instalasi sipil dimensi rata-rata, seperti area bangunan dan kelompok apartemen besar atau untuk digunakan dalam aplikasi industri, seperti tanaman kecil atau menengah. Operasi adalah dua tahap; kepala pembakaran, yang dapat diatur berdasarkan kebutuhan output, memungkinkan kinerja optimal memastikan pembakaran yang baik dan mengurangi konsumsi bahan bakar. Fitur utama dari pembakar ini adalah keandalannya karena konstruksi yang sederhana dan kuat, yang memungkinkan operasi tanpa intervensi pemeliharaan tertentu.
Pemeliharaan sederhana dicapai dengan sistem slide bar, yang memungkinkan akses mudah ke semua komponen penting dari kepala pembakaran. Semua komponen listrik dengan mudah hanya dapat diakses oleh turun dari panel perlindungan, sehingga menjamin cepat dan sederhana intervensi pada komponen.
- PRESS GW 107/178 ÷ 356 kW
- PRESS 1G 130/190 ÷ 534 kW
- PRESS 2G 214/356 ÷ 712 kW
- PRESS 3G 273/534 ÷ 1168 kW
- PRESS 4G 415/830 ÷ 1660 kW
Teknikal Pengoprasian Riello press G
Model press GW :
- Burner operation : model (two stange)
- Heat output : (107/178÷356 KW)
- Heat output : (92/153÷306 Mcal/h)
- Heat output : (9/15÷30 kg/h )
- Working temperature : (0/40 °C min./max )
- Net calorific value : (11,8 kWh/kg )
- Net calorific value : (10200 kcal/kg )
- Pump type : (AN 67 )
- Pump deleviry : (65 (12 bar) kg/h )
- Total electrical power : (0,43 kw )
- Auxiliary electrical power : (0,18 kw )
Model Press 1G :
- Burner operation : model (two stange)
- Heat output : (130/190÷534 KW)
- Heat output : (112/163÷459 Mcal/h)
- Heat output : (11/16÷45 kg/h )
- Working temperature : (0/40 °C min./max )
- Net calorific value : (11,8 kWh/kg )
- Net calorific value : (10200 kcal/kg )
- Pump type : (AN 77 )
- Pump deleviry : (90 (12 bar) kg/h )
- Total electrical power : (0,6 kw )
- Auxiliary electrical power : (0,15 kw )
Model Press 2G :
- Burner operation : model (two stange)
- Heat output : (214/356÷712 KW)
- Heat output : (184/306÷612 Mcal/h)
- Heat output : (18/30÷60 kg/h )
- Working temperature : (0/40 °C min./max )
- Net calorific value : (11,8 kWh/kg )
- Net calorific value : (10200 kcal/kg )
- Pump type : (AN 77 )
- Pump deleviry : (90 (12 bar) kg/h )
- Total electrical power : (1,07 kw )
- Auxiliary electrical power : (0,3 kw )
Model Press 3G :
- Burner operation model : (two stange)
- Heat output : (273/534÷1168 KW)
- Heat output : (235/459÷1004 Mcal/h)
- Heat output : (23/45÷100 kg/h )
- Working temperature : (0/40 °C min./max )
- Net calorific value : (11,8 kWh/kg )
- Net calorific value : (10.200 kcal/kg )
- Pump type : (J 6 )
- Pump deleviry : (164 (12 bar) kg/h )
- Total electrical power : (2,05 kw )
- Auxiliary electrical power : (0,5 kw )
Model Press 4 G :
- Burner operation mode : (two stange)
- Heat output : (415/830÷1660 KW)
- Heat output : (357/714÷1428 Mcal/h)
- Heat output : (35/70÷140 kg/h )
- Working temperature : (0/40 °C min./max )
- Net calorific value : (11,8 kWh/kg )
- Net calorific value : (10200 kcal/kg )
- Pump type : (J 7 )
- Pump deleviry : (244 (12 bar) kg/h )
- Total electrical power : (3,8 kw )
- Auxiliary electrical power : (0,8 kw )
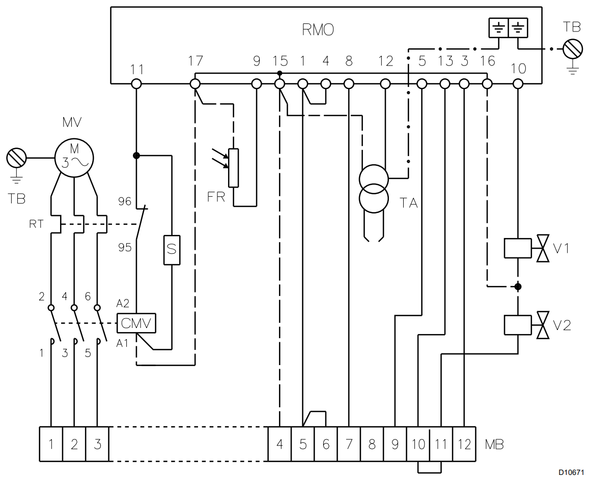
BURNER ELECTRICAL WIRING
KEY TO LAYOUT
- CMV Fan motor contact – maker
- RT Thermal cutout
- FR Photocell
- TA Ignition transformer
- MB Wiring terminal block
- TB Burner ground (earth) connection
- MV Fan motor
- V1 1st stage solenoid valve
- RMO Control box
- V2 2nd stage solenoid valve
- S Suppressor
Demikian sekilas pembahasan untuk burner bahan bakar solar Riello press G, kami menjual dan melayani jasa pemasangan instalasi burner. apabila ada kendala atau kebutuhan untuk burner riello jangan sungkan untuk menghubungi kami dengan nomor kontact marketing.
Jika Anda tertarik dengan salah satu produk kami, atau memerlukan informasi lebih lanjut, silakan hubungi staf penjualan kami sekarang untuk katalog terperinci kami.
Hubungi Kami
PT. INDIRA MITRA BOILER
- Office : Emerald Residence Sepatan Ruko 8i, RT.026/RW.005, Kosambi, Kec. Sukadiri, Kabupaten Tangerang, Banten 15530
- Gudang : Blk. D19 Jl. Utama Raya Perum Permata Sepatan No.21, Pisangan Jaya, Kec. Sepatan, Kabupaten Tangerang, Banten 15520
- Whatsapp = 0895 3287 02165
- Mobile = 0821 1185 1623
- Web = https://mitraboiler.com/
- Email = wahyuidm86@gmail.com
- = wahyuspi46@gmail.com



Comments
No comment yet.